ハザードを取り付ける
手を上げてのお礼ってリスキー。
だからハザードがほしい。
※ 整備はサービスマニュアルに頼らずやっているので参考程度にご覧ください。
- 広告 -
インデックス
1. ハザード配線図:ようは短絡させるだけ
2. スイッチ選び:5アンペアOKのやつを
2-1. サイズ
2-2. アンペア
3. ハザードスイッチ装着
3-1. コントロールハウジング加工
3-2. ハザード配線
3-3. ハザード完成
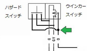
1. ハザード配線図:ようは短絡させるだけ
ハザードの配線は、
『 ウインカースイッチの手前でショートカット、左右のウインカー線に給電 』するだけ。
線はO(オレンジ)がプラス。 G(グリーン)とGY(グレー)は左右のウインカーへ続く。
2. スイッチ選び:5アンペアOKのやつを
2-1. サイズ
まず、スイッチの大きさを検討。
左コントロールハウジングを外して裏を観察…、なんとスイッチを装着するためと思われる枠が既にある!
このハウジングは他車とも共通で使われるからそちらではここにハザードスイッチが付くのだろう。
で、この枠の所に装着するとなると、
ハザードスイッチのサイズは、およそ『 横8mm、縦13mm、奥行き15mm 』程度か。
2-2. アンペア
スイッチを選ぶ。 流せる電気の上限に注意して検討する。
電球ウインカーなら1つ15w。4つで60w。
60w / 12v = ”5A(アンペア)” なので…
『最大5A/12V』、または、
『最大6A/125V、3A/250V』と書かれたスイッチならOK。
バイクで使う場合は直流(DC)12Vだが、交流(AC)125V、250Vでの記載のみの場合も多い。この場合は125Vの最大アンペアがDC12Vのそれとなる。(250Vしか書かれていない場合、Aは2倍にして考える。) また、直流は交流よりシビアなので2割ほどの安全マージンを取ると良いだろう。
と言うわけで、上の写真のロッカースイッチをaliexpressで購入しましたが、
純正は『オルタネイトのプッシュスイッチ』。
3. ハザードスイッチ装着
3-1. コントロールハウジング加工
では加工してスイッチを取り付ける。
1. スイッチの型紙つくり、
2. 型紙に合わせてけがき、
3. けがいた線の内側に穴あけ、
4. 穴をニッパーで切り、
5. やすりで整え、
外側からスイッチを押し込んで装着。
とても小さいスイッチだけど裏ではサイズ上限ギリ。
防水タイプじゃないから一度分解して接点にグリスをたっぷり塗布。内部に水が溜まらないよう穴も開けました。
3-2. ハザード配線
▼ 純正ウインカースイッチの線
| 1. オレンジ | … プラス線 |
| 2. 緑 | … 左ウインカー |
| 3. グレー | … 右ウインカー |
配線は、上記の3線にハザード線を合流させるだけ。
・線の太さは ”0.5スケア以上” で。
・”整流ダイオード” を忘れずに。
もし半田付けが無理なら線の被膜を剥いで銅線を絡め付けるだけでも可能かな?
> エーモン 整流ダイオード 6A 2個入 1556 (amazon)
ハザード線とスイッチの接続は、
端子は使わず、直付けすべし。
平型端子で接続したが、奥行きに余裕が無いからハンドルバーに干渉してしまう。
元々ここは分解の機会など無い。故障すればアッシー交換だし。後の分解など考えず線はスイッチの足に半田付け、または巻き付けるとかでもOKだろう。
3-3. ハザード完成
ハザード完成。スイッチON。
前後、左右でちゃんと点灯。
小さなロッカースイッチだと厚手のグローブではちょっと操作しにくいけど峠道で譲ってくれた車にこれでサンキュー。
